GB-S 分体燃烧器-天然气

GB-S 17 G MC
型号: GB-S 17 G MC
燃料: 天然气
燃气流量: 295m3/h-1750m3/h
功率: 2950kw-17500kw
GB-S 分体燃烧器-天然气

下载技术资料

GB-S 17 G MC

GB-S系列是新的分体式燃烧器系列,其主体为粉末涂层的强化钢。GB-S燃烧器系列符合欧盟安全标准(CE标准),并根据质量体系EN ISO 9001:2008进行制造。它们是满足更多标准化应用的最佳选择


燃烧头

采用优质材料制成,具有耐热,减少磨损和损坏的特点;火焰盘采用专门设计,以燃烧的燃料为基础,以确保出色的湍流和完美的燃烧。低NOx头设计(应要求提供)通过引燃火焰点火,避免了脉动和不良点火。


主要用途

GB-S系列的设计能够使用不同类型的燃料。它可以与标准燃料一起使用,例如天然气,柴油,石脑油和混合燃料。根据要求,可以创建特殊版本以与特殊燃料一起使用,例如沼气,乙醇,废气,煤气,正燃气等。GB-S系列非常适合于热水,蒸汽,透热油和其他热发生器上的主要安装。GB-S系列由于其设计而适合安装在炉子,焚化炉上,安装和更换方便,非常适合应用。


燃烧器的结构

由钢筋制成,并涂有粉末涂料。根据燃气管道的位置,可以将燃气轮机安装在燃烧器的左侧或右侧。大开口方便维护内部零件,维护简便,Ambia观察镜可观察火焰,不含塑料组件,非常适合工业应用


可根据要求提供更多配置

EM版本配备了O2%电子凸轮和CO控制系统,可实现更好的燃烧,减少污染物和燃料消耗。仅在EM版本中可用带变频器版本的可能性带机器面板上电源的可能性或基于任何ATEX风险分类的单独的“防爆”版本可以根据要求提供更多定制


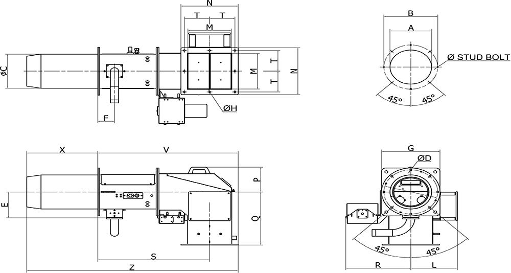
ABCØDEFGØ HLMNPQRSTVX *ZØ STUD BOLT
5706625461639617371014404542650355684595118030015055452050M14 x 50 MM


(X*)上述X值会根据不同低氮要求进行更改,标准配置为X=500.如果需要不同的尺寸,请联系将军中国联络处获取更多信息。

尺寸以mm标书,仅供参考,如有更改,恕不另行通知。为了获得更准确地参数,请联系将军中国联络处。


产品描述